中古機PEMTRON奔創彩色3D在線錫膏檢測機TROI-7700HUXL 批量到貨!可租可售

奔創彩色3D在線錫膏檢測機
技術特性
雙3D光源
2D與3D的結合,有效消除了陰影影像,并以高性能的相提供高質量 3D圖像,保證測試的高的精度和高的速度
64位Win7系統
高速、高穩定性的電腦系統配置以滿足越來越密集的產品設計
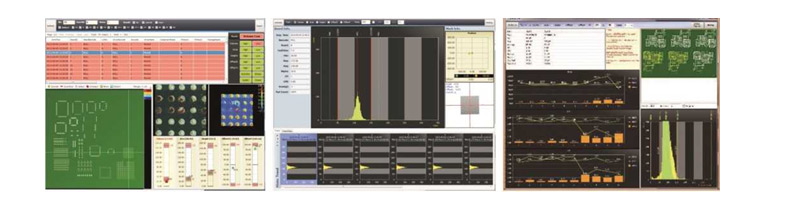
簡單明了的用戶界面
自助研發的gerber編輯器,操作簡便,編程方便,同一界面可顯示所有 常用功能,避免了多個界面來回切換的麻煩,簡單明了的界面可適合任何 水平的作業員操作
真彩色3維立體圖像
通常的SPI只能夠計算絲印以上部分的高度,但是Pemtron應用其Color XY的技術能夠輕易的區分銅箔,從而精準的找到零基準面 另外,可顯示任意角度旋轉的真彩色3D圖像,更加容易使用戶看到清晰 生動的錫膏畫面,從而避免了操作者反復在顯微鏡下確認實物的麻煩 高的精度線性馬達
XY方向均應用線性馬達亦01仙可達到±3卩m運動精度
SPI標準元件庫
依照AOI元件庫經驗,奔創引入SPI標準元件庫,使SPI參數標準化, 即所有程序的參數實現統一化管理。
新程序制作時只需一鍵設置即可完成所有焊盤參數設置,減少編程時間。
強大的SPC功能
SPC系統可對不良數據及生產情況進行分析,使工程生產過程中的問題一目了然。
SPC的數據報告可以輸出PDF. Excel或Image等格式,用戶可按需要的格式來保存。
實時監控和質量管控方案
Printer Net
-與印刷機做閉環系統
Mounter Net
?與貼片機做閉環系統
* Bad Mark數據共享及自動貼片優化系統
TROI SPI & EAGLE 3D AOI closed
Loop function -3點對照系統
真實的3D圖像







蘇公網安備 32058302003152號